首页
关于凯瑞特
公司简介
公司文化
荣誉资质
产品中心
蝶阀
球阀
调节阀
波纹管阀
过滤器
截止阀
疏水阀
闸阀
止回阀
其他
解决方案
品质保障
实验室检测
科技成果
新闻中心
公司新闻
行业新闻
联系我们
English
中文版
关键词:
所属分类:
电子邮件:
salesmanager@kairute.com
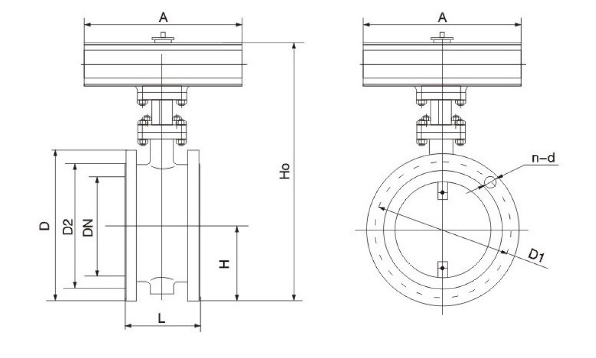
产品描述
上一页
气动、电动高温调节蝶阀
气动对夹式衬胶蝶阀
下一页
相关产品
自动保压液控蝶阀
电动对夹式衬胶蝶阀
电动法兰式软密封蝶阀
欢迎您的留言咨询
全国统一服务热线
86-577-66859222
浙江省温州瑞安市南滨街道高新技术产业园区江南大道 299 号
0577-66859222
0577-66859922
http://www.kairute.com
Copyright © 2022 凯瑞特阀业集团有限公司 网站建设:中企动力 温州 浙公网安备33038102332253号 SEO